1060nm波段半导体光放大器(SOA)系列产品,主要应用于1060nm波段的光放大,为高增益、高功率、低偏振度、宽谱半导体光放大器模块设计,能显著提高输出光功率。具有供货周期短、性价比高、可靠性高等优点。
系列:SOA-1060-15-G25
单模版本:SOA-1060-15-G25-SM
保偏版本:SOA-1060-15-G25-PM
交付周期短(现货交付)
1060nm波段半导体光放大器(SOA)系列产品,主要应用于1060nm波段的光放大,为高增益、高功率、低偏振度、宽谱半导体光放大器模块设计,能显著提高输出光功率。具有供货周期短、性价比高、可靠性高等优点。
交付周期短,自主可控。
|
参数 |
符号 |
工作条件 |
最小值 |
典型值 |
最大值 |
单位 |
|
ASE中心波长 |
λASE |
If=400mA |
- |
1070 |
- |
nm |
|
工作波长 |
λ |
Pin=0dBm |
- |
1060 |
- |
nm |
|
带宽 |
Δλ |
@-3dB,Pin=-20dBm |
- |
50 |
- |
nm |
|
饱和光功率 |
Psat |
If=400mA,λ=10600nm,Pin=5dBm |
- |
+15 |
- |
dBm |
|
偏振消光比(保偏) |
Per |
- |
20 |
- |
- |
dB |
|
小信号增益 |
G |
If=400mA,Pin=-25dBm,λ=1060nm |
- |
25 |
- |
dB |
|
噪声系数 |
NF |
- |
- |
7.5 |
10 |
dB |
|
正向电压 |
Vf |
- |
- |
- |
2 |
V |
|
工作电流 |
If |
- |
- |
400 |
600 |
mA |
|
TEC电压 |
VTEC |
- |
- |
- |
3.4 |
V |
|
TEC电流 |
ITEC |
- |
- |
- |
1.8 |
A |
|
功耗(总) |
P |
- |
- |
- |
4 |
W |
|
热敏电阻阻值 |
Rtherm |
T=25℃ |
9.5 |
10 |
10.5 |
KΩ |
|
热敏电阻电流 |
Itherm |
- |
- |
- |
5 |
mA |
|
气密性1 |
|
T=25℃ |
1*10-12 |
1*10-11 |
1*10-8 |
Pa.m3/s |
|
工作温度 |
TC |
I=Iop |
-40 |
- |
60 |
°C |
|
存储温度 |
Tstg |
- |
-40 |
- |
85 |
°C |
注1:气密性数值为管壳封装数值,排除管壳外部残留干扰测试得出。
*参数规格如有更改,恕不另行通知,请联系苏州jinnianhui今年会科技有限公司相关销售人员确认。
|
典型特性 |
|
|
|
|
|
|
|
ASE光谱 |
ASE LIV |
|
|
|
|
|
|
增益vs电流(@不同输入功率) |
增益vs输出功率 |
|
|
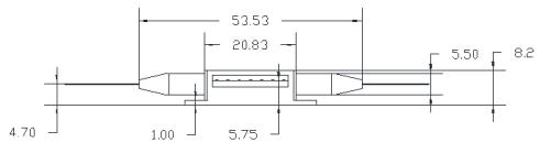
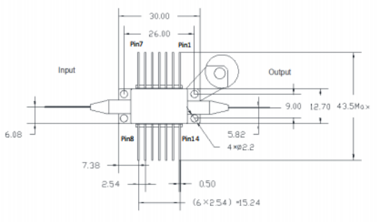
结构尺寸和管脚定义 |
|
|
|
|
|
|
|
|
||
|
|
|
|
|
订货信息 |
产品描述 |
|
|
SOA-1060-15-G25-SM-FA |
1060nm波段-15dBm饱和输出功率-25dB增益-蝶形封装-单模光纤-FC/APC接头 |
|
|
SOA-1060-15-G25-PM-FA |
1060nm波段15dBm饱和输出功率-25dB增益-蝶形封装-保偏光纤-FC/APC接头 |
|
